全国服务热线:
+86-372-2595077/2595078/2595088
用途:
本系列电磁铁适用于交流50Hz,电压至380V的控制电路中,作为液压电磁换向阀的动力元件。可配套于德国力士乐 (REXROTH) 六、十通径螺纹联结电磁换向阀。
正常工作条件
● 可任意方向安装。
● 使用环境中应无足以腐蚀金属和破坏绝缘的气体和尘埃。否则,可能影响产品寿命。
● 电磁铁适合长期工作制、断续周期工作制。
● 电源电压的合理波动范围为85%-110% (特殊要求可订货时提出)。
● 外壳防护等级为IP65。
主要技术参数
型号 | MFJ12-27YC | MFJ12-54YC |
额定电压 (V) | 110220 | 110220 |
电源频率 (Hz) | 50 | 50 |
额定吸力 (N) | ≥27 | ≥54 |
额定行程 (mm) | 2.8 | 4 |
全行程 (mm) | ≥6.1 | ≥9 |
承受静态油压 (MPa) | 21 | 21 |
起动伏安 (VA) | ≤154 | ≤308 |
吸持伏安 (VA) | ≤58 | ≤78 |
操作频率 (T/h) | 12000 | 12000 |
订货代号
阀用电磁铁 | 交流 | 设计序号 | 额定吸力(N) | 湿式 |
MF | J | 12 | 27/54 | YC |
稳态行程-力特性曲线

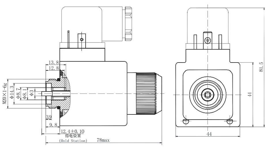
外形及安装尺寸
MFJ12-27YC

MFJ12-54YC

使用注意事项
● 电磁铁采用符合IS04400标准的插座,有带指示灯、不带指示灯两种规格,您可以根据需要进行选择,带指示灯插座的电压规格,必须与电磁铁本体电压规格相符。
● 电磁铁的手动推杆用于在调试时或紧急情况下,进行手动控制。但当系统背压较高,调节困难时,请使用十字螺丝刀缓推手动推杆,不宜使用冲击力,以免破坏手动推杆和导向内孔表面,造成电磁铁漏油或不能复位。
● 当系统要求低噪音时,或在使用过程中油液清洁度无法保证以及电源电压波动范围超过正常要求时,建议您选用交流本整 型电磁铁。
● 当双向使用电磁铁时,一定要保证两个电磁铁不能同时通电,以免电磁铁非正常烧毁。
● 电气控制系统与电磁铁连接部分之间应设置过流保护,以免非正常情况下,烧毁电磁铁及您的电控元件。
样本说明
● 如顾客有不同的需要,在电磁铁性能不变的情况下,电磁铁与阀体的联结尺寸、推杆伸出长度及工作电源电压可以根据要求调整。
● 特性曲线仅供参考。
● 主要特性参数均为实验室条件下获得。本公司保留修改参数的权力。
中文(简体)
English
Русский
Espa?ol